- - 温湿度模块/探头(21)
- - 温湿度数字输出模块(6)
- - 湿敏电容传感器(3)
- - 湿敏电阻传感器(3)
- - 温度传感器(4)
- - 温湿度变送器/仪表(10)
- - 结露传感器(2)
- - 红外温度传感器(3)
- - 光纤折射率传感器(1)
- - 光纤信号调理器(5)
- - 光纤温度传感器(3)
- - 光纤压力传感器(9)
- - 光纤应变传感器(3)
- - 光纤位移传感器(1)
- - 无放大输出压力传感器(2)
- - 放大输出压力传感器(2)
- - 微压传感器(1)
- - 不锈钢压力传感器(1)
- - 数字输出的压力传感器(3)
- - 称重传感器(3)
- - 陶瓷压力传感器(2)
- - 硅蚀刻技术全系列压力传感器(9)
- - PC板安装压力传感器(9)
- - 压力变送器(5)
- - 红外发射二极管(5)
- - 光电晶体(接收管)(4)
- - 光电斯密特接收管(2)
- - 红外检测仪(1)
- - 编码器传感器(1)
- - 反射式光电套件(2)
- - 槽型红外光电传感器(2)
- - 条形码传感器(1)
- - 血氧分析传感器(2)
解决方案与产品应用
小体积的温湿度一体传感器HTU21D在消费电子产品类应用
更新时间:2023-01-10 15:16:51
应用介绍
Min体积的温湿度一体传感器模块HTU21系列详细介绍:
1.传感器简述
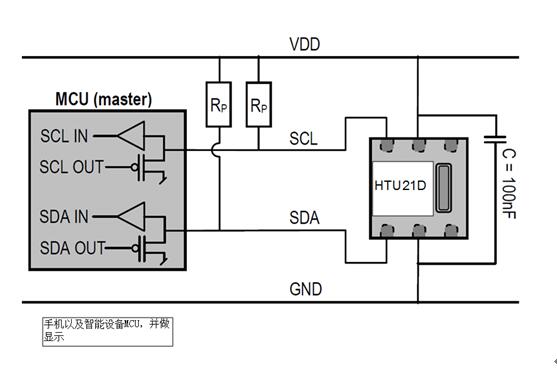
基于法国Humirel公司高性能的湿度感应元件制成,HTU21系列模块为OEM应用提供一个准确可靠的温湿度测量数据。多样化的输出方式,宽的工作电压范围,同时具有很高的温度精度和湿度精度。HTU21系列模块专为低功耗小体积应用设计,具有良好的品质、快的响应速度、抗干扰能力强、性价比高等优点,微小的体积、极低的功耗,使HTU21成为各类应用的首选。整个传感器的封装仅3*

2、智能手机、平板电脑等移动设备的发展愈发快速,这里面少不了各种传感器的支持。现在这些消费电子产品中普遍包含的传感器有加速度传感器、陀螺仪等,其实温湿度传感器在里面也有很好的应用。在日本,针对温度传感器在手机平板电脑的应用开发已经走在了前列。
3、在国内,包括海尔、联想在内的手机厂商也开始了一些尝试,针对农村市场已经推出了可以显示温湿度的手机,可以帮助农民更便捷地了解气候变化。未来我们还可能在一些针对老人的手持设备中加入温湿度传感器,提醒他们及时补充水分和调节空间温湿度。而在消费电子领域,温度传感器的传统应用主要是天气预报以及室内监测。用于消费类电子产品上的温湿度传感器精度可能并不需要达到那么高,HTU21D具有 2%湿度精度、
4、整个系统的框图